Okucia zabezpieczające ROSTEX RX4-40 BRAVO
Okucia zabezpieczające ROSTEX RX4-40 BRAVO
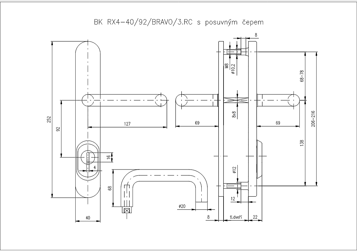
Opis
Grubość drzwi: 66-75 mm
Okucia zabezpieczające przeznaczone są do drzwi wejściowych otwieranych do wewnątrz i na zewnątrz.
Wkładka nie może wystawać więcej niż 15,5 mm ponad powierzchnię drzwi po stronie zewnętrznej.
Szerokość tarczy 40 mm.
Certyfikowany pod kątem odporności ogniowej
Mechanizm powrotny (sprężyna powrotna)
Parametry
| Inne parametry | Klasa bezpieczeństwa 3, Matowe wykończenie |
|---|---|
| Rozstaw | 92 mm |
| Okucia typu 1 | Tarcze |
| Okucia typu 2 | Bezpieczeństwo |
| Projekt | Nowoczesny |
| Tworzywo | Stal nierdzewna |
| Kształt etykiety/rozety | Owalny |
| Ocena | ROSTEX |
| Typy kování [PL] | klika-klika |
| Obróbka powierzchni | ROSTEX Mata ze stali nierdzewnej |
| Typ otworu | Otwór na wkładkę cylindrową PZ |



















































