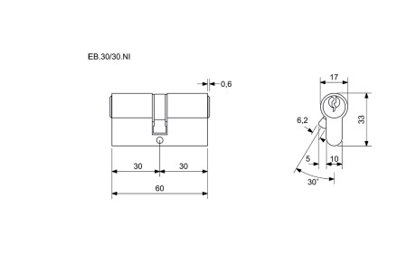
Wkładka budowlana cylindryczna Richter EURO BASIC RC1
Wkładka budowlana cylindryczna Richter EURO BASIC RC1
Kot. numer:
0681-52022

Opis
Wkładka konstrukcyjna 5-pinowa
• Klucz, który można swobodnie kopiować
• Możliwość wspólnego zamknięcia
Materiał wkładki: połączenie mosiądzu (bęben) i cynku (korpus wkładki)
Materiał kluczowy: mosiądz
Powierzchnia: nikiel matowy (NI)
W zestawie: 3 szt. kluczy i 1 szt. śruby 60 mm
• Wkładki standardowo dostarczane są w pudełku
Parametry
| Tworzywo | Mosiądz |
|---|---|
| Ocena | RICHTER |
| Wstaw typ | stavební vložka |
| Dowód osobisty | NE |
| Liczba kluczy | 3 ks |
| Kolor wstawek | matný nikl (NI) |



















































